唐人阁xhua4江苏论坛
接待惠臨諸都會正一機器無限公司官方網站!
在線留言
|
接洽咱們
|
網站輿圖
諸都會正一機器無限公司
Zhucheng Zhengyi Machinery Co., LTD
天下下載發賣電活: 138-6367-5570
網站首頁
唐人閣xhua4江蘇論壇: 對于咱們
唐人閣xhua4江蘇論壇: 公司先容
唐人閣xhua4江蘇論壇: 企業文明
唐人閣xhua4江蘇論壇: 接洽咱們
消息中間
公司靜態
唐人閣xhua4江蘇論壇: 行業消息
唐人閣xhua4江蘇論壇: 產物展現
唐人閣xhua4江蘇論壇: 朋分器
凸輪
唐人閣xhua4江蘇論壇: 心軸型【DS】
唐人閣xhua4江蘇論壇: 法蘭型【DF】
唐人閣xhua4江蘇論壇: 平板型【P】
平臺桌面型【DT】
超薄平臺桌面型【...
圓柱重負載型【BU...
利用實例
辦事中間
在線留言
唐人閣xhua4江蘇論壇: 接洽咱們
網站首頁
對于咱們
消息中間
產物展現
利用實例
辦事中間
在線留言
接洽咱們
產物展現
朋分器
凸輪
心軸型【DS】
法蘭型【DF】
平板型【P】
平臺桌面型【DT】
超薄平臺桌面型【DA】
圓柱重負載型【BU】
熱情接待你們 Contact Us
諸都會正一機器無限公司
手機:13863675570
德律風:0536-6155536
傳真:0536-6537700
地點:諸都會密州街道薛館路中段
網上平臺win7桌面型【DT】
您而后的位置:
首頁
唐人閣xhua4江蘇論壇: 平臺桌面型【DT】
檢修劃分
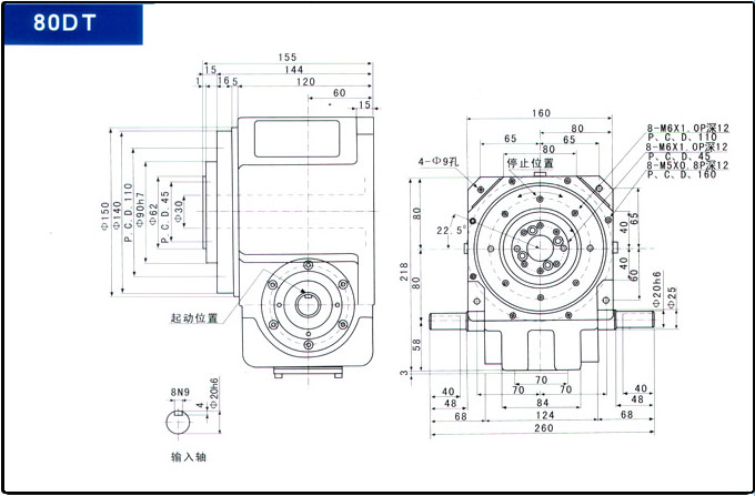
平臺桌面型朋分器
80DT、110DT、140DT、180DT、250DT、350DT
此系列機種的尺寸設想特征與法蘭型功效類似,于驅動運行上可蒙受超大軸向負載及垂直徑向壓力,在輸入端有一突出牢固盤面及大孔徑空心軸,可將能源源的電、油、氣管路置于空心孔內,此系列機種普遍利用于重負載、直結主動化裝備的各種機器及財產機器,作同步主動化間歇驅動。
上條:也是一號條了 下一根:超出了最先一根了
相干產物
朋分器
朋分器
朋分器
朋分器